For Customer Service, call us at 1-800-400-4683

Technical Service questions:  1-800-253-1769

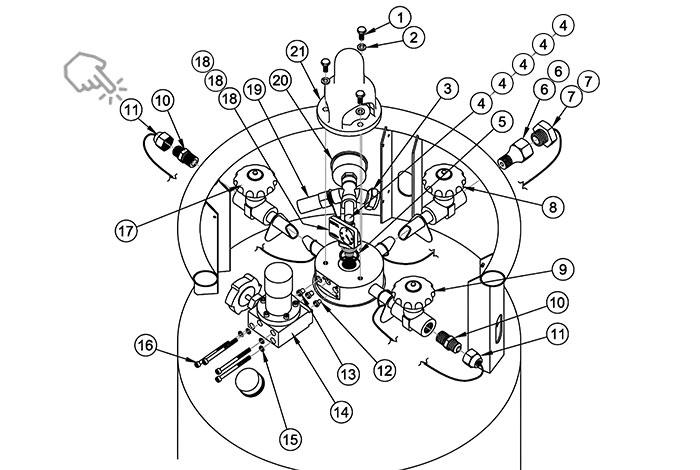
LCCM MP Plumbing


1234a4b4c4d4e56a6b7a7b8910a10b11a11b12131415161718a18b18c192021

LCCM MP Plumbing

0 - 0
Clear All
Out of Stock Backordered In Stock
Out of Stock Backordered In Stock
Out of Stock Backordered In Stock
Out of Stock Backordered In Stock
Out of Stock Backordered In Stock

6 Outlet 3/8" MPT Oxygen CGA-540

4010012 / -

Out of Stock Backordered In Stock
Out of Stock Backordered In Stock
Out of Stock Backordered In Stock

15 Washer Split #10 Stainless Steel

2911071 / -

Out of Stock Backordered In Stock
Out of Stock Backordered In Stock

2 of 2

⚠️WARNING: Cancer and Reproductive Harm - www.P65Warnings.ca.gov