For Customer Service, call us at 1-800-400-4683

Technical Service questions:  1-800-253-1769

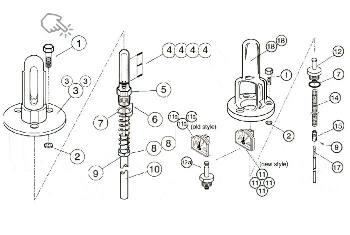
Level Gauge


123a3b3c4a4b4c4d5678a8b911.111.211.311.411A.111A.211A.31214151718a18b1297

Level Gauge

0 - 0
Clear All
Out of Stock Backordered In Stock
Out of Stock Backordered In Stock

11 Liquid Level Gauge CO2 New Design

10591369 / -

Out of Stock Backordered In Stock
Out of Stock Backordered In Stock
Out of Stock Backordered In Stock
Out of Stock Backordered In Stock
Out of Stock Backordered In Stock

12 Plug Knuckle Roto Cal New

10591511 / -

Out of Stock Backordered In Stock

14 Spring Extension MAT'L 302 OR 304

5411029 / -

Out of Stock Backordered In Stock
Out of Stock Backordered In Stock
Out of Stock Backordered In Stock
Out of Stock Backordered In Stock
Out of Stock Backordered In Stock

3 Sight Gauge Protector Blue

5410446 / -

Out of Stock Backordered In Stock

4 Decal Sight Gauge Argon Service

3830579 / -

Out of Stock Backordered In Stock

4 Decal Sight Gauge CO2 Service

3830799 / -

Out of Stock Backordered In Stock

4 Decal Sight Gauge Nitrogen Service

3830659 / -

Out of Stock Backordered In Stock

4 Decal Sight Gauge Oxygen Service

3830569 / -

Out of Stock Backordered In Stock
Out of Stock Backordered In Stock
Out of Stock Backordered In Stock

1 of 2

⚠️WARNING: Cancer and Reproductive Harm - www.P65Warnings.ca.gov