For Customer Service, call us at 1-800-400-4683

Technical Service questions:  1-800-253-1769

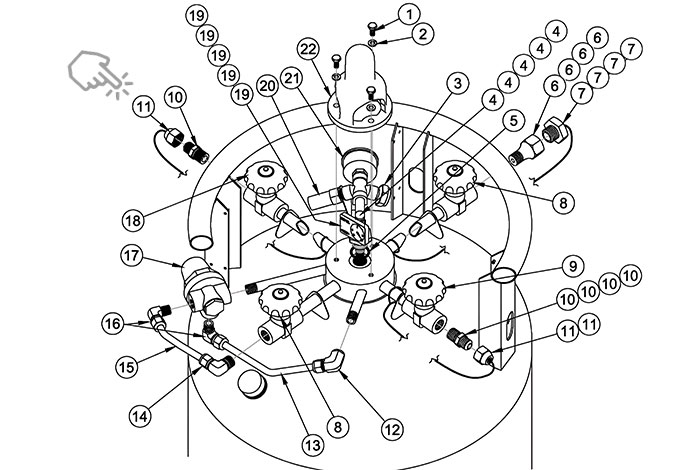
MCR HP Plumbing

110a10b10c10d10e11a11b11c1213141516171819a19b19c19d19e220212234a4b4c4d4e56a6b6c6d7a7b7c7d8a8b9

MCR HP Plumbing

0 - 0
Clear All
Out of Stock Backordered In Stock
Out of Stock Backordered In Stock

8 Spare Part REGO Valve

13744463 / -

Out of Stock Backordered In Stock

9 Kit Spare Parts REGO Valve

13715355 / -

Out of Stock Backordered In Stock
Out of Stock Backordered In Stock

10 Connector

1110112 / -

Out of Stock Backordered In Stock
Out of Stock Backordered In Stock
Out of Stock Backordered In Stock
Out of Stock Backordered In Stock

14 Elbow

1011442 / -

Out of Stock Backordered In Stock

16 Elbow

1011432 / -

Out of Stock Backordered In Stock
Out of Stock Backordered In Stock

18 Valve Trim Assembly

9715759 / -

Out of Stock Backordered In Stock

19 Dial Capsule Roto-Tel SPV-LAR

20546190 / -

Out of Stock Backordered In Stock

19 Dial Capsule Roto-Tel SPV-LIN

20546188 / -

Out of Stock Backordered In Stock

19 Dial Capsule Roto-Tel SPV-LOX

20546189 / -

Out of Stock Backordered In Stock

19 Dial Capsule Roto-Tel Standard

14049702 / -

Out of Stock Backordered In Stock

20 1/4" Relief Valve 350PSI

11884788 / -

Out of Stock Backordered In Stock

21 Pressure Gauge 0-600 PSI 2" DIAL

14932546 / -

Out of Stock Backordered In Stock
Out of Stock Backordered In Stock

1 of 2

⚠️WARNING: Cancer and Reproductive Harm - www.P65Warnings.ca.gov